
发布时间:2020-06-26 17:56:09
防爆阻火呼吸阀(JF-Ⅵ型)
是集阻火器与呼吸阀为一体,其新颖的结构为国内首创。防爆阻火呼吸阀是安装在石油化工固定储罐上的通气 装置,以防止罐内超压或超真空使储罐遭受损坏,起阻止外界火焰传入,减少罐内液体挥发损耗的作用。

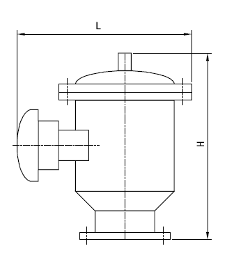
防爆阻火呼吸阀(JF-Ⅵ型)外形图
产品规格及主要参数
| 壳体材质 | 碳钢、铝合金、不锈钢、衬里 |
| 阻火芯件材质 | 不锈钢防爆阻火波纹板 |
| 阀盘阀座材质 | 铝合金、不锈钢 |
| 密封件材质 | 聚四氟乙烯 |
|
环境温度 (℃) |
-30~+60 |
|
操作压力 (Pa) |
-295Pa~+98000Pa -300mmH2O~+10000mmH2O |
| DN | L | H |
| 25 | 160 | 255 |
| 50 | 160 | 255 |
| 80 | 213 | 260 |
| 100 | 265 | 290 |
| 150 | 305 | 330 |
| 200 | 355 | 350 |
| 250 | 420 | 400 |
| 300 | 480 | 510 |
|
|
|
|